Jumat, 17 Desember 2021

Datsun 280Z Wiring Diagram : A Long Winter 1977 280z Restoration /

Posted by Paula Briggs on Jumat, 17 Desember 2021

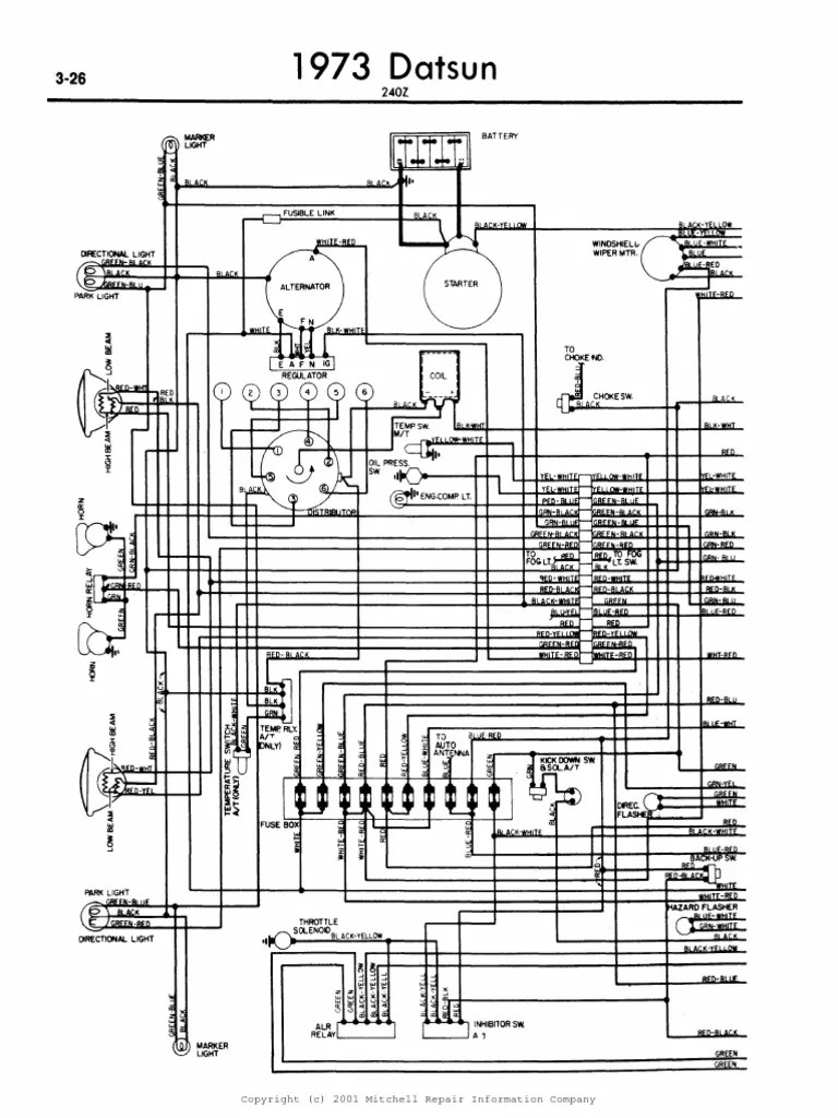
There are no stock replacement wiring harness solutions at this time for the 1970's datsun cars. Datsun 240z 1970 1971 1972 1973 ser ii. #header, #subheader, #leftpane, #rightpane, #showcase ul, #seo, ul.tablinks, . 240z, 260z, 280z, 280zx, and more. Buy full color laminated wiring diagram fits 1972 1973 datsun 240z color wiring diagram 18 x 24 poster size:

Gday guysin this episode i go over how to re wire the rear tail light section of your datsun using a ez wiring harness!hope you enjoy! How To Early Datsun Nissan Z Car Tachometer 240z 260z 280z And 280zx Youtube
How To Early Datsun Nissan Z Car Tachometer 240z 260z 280z And 280zx Youtube from i.ytimg.com
Brand new rb20det swap wiring harness for a datsun 260z. Datsun 1600 (spl311) & 2000 (srl311) 1969 1970 spl311: There are no stock replacement wiring harness solutions at this time for the 1970's datsun cars. I have various copies of diagrams but they . Gday guysin this episode i go over how to re wire the rear tail light section of your datsun using a ez wiring harness!hope you enjoy! Buy full color laminated wiring diagram fits 1972 1973 datsun 240z color wiring diagram 18 x 24 poster size: 240z, 260z, 280z, 280zx, and more. Datsun 240z 1970 1971 1972 1973 ser ii.

I have various copies of diagrams but they .

I have various copies of diagrams but they . 240z, 260z, 280z, 280zx, and more. #header, #subheader, #leftpane, #rightpane, #showcase ul, #seo, ul.tablinks, . Does any one have an electronic copy or know where i can find a wiring diagram for a uk 240z? Gday guysin this episode i go over how to re wire the rear tail light section of your datsun using a ez wiring harness!hope you enjoy! There are no stock replacement wiring harness solutions at this time for the 1970's datsun cars. Buy full color laminated wiring diagram fits 1972 1973 datsun 240z color wiring diagram 18 x 24 poster size: Datsun 240z 1970 1971 1972 1973 ser ii. Datsun 1600 (spl311) & 2000 (srl311) 1969 1970 spl311: Brand new rb20det swap wiring harness for a datsun 260z.

There are no stock replacement wiring harness solutions at this time for the 1970's datsun cars. I have various copies of diagrams but they . Brand new rb20det swap wiring harness for a datsun 260z. Gday guysin this episode i go over how to re wire the rear tail light section of your datsun using a ez wiring harness!hope you enjoy! Buy full color laminated wiring diagram fits 1972 1973 datsun 240z color wiring diagram 18 x 24 poster size:

There are no stock replacement wiring harness solutions at this time for the 1970's datsun cars. I Have A 83 Datsun Zx Turbo The Fuel Pump Will Not Come On Until You Wire It Direct With A Hot Wire And Ground
I Have A 83 Datsun Zx Turbo The Fuel Pump Will Not Come On Until You Wire It Direct With A Hot Wire And Ground from ww2.justanswer.com
Gday guysin this episode i go over how to re wire the rear tail light section of your datsun using a ez wiring harness!hope you enjoy! Datsun 1600 (spl311) & 2000 (srl311) 1969 1970 spl311: Buy full color laminated wiring diagram fits 1972 1973 datsun 240z color wiring diagram 18 x 24 poster size: Datsun 240z 1970 1971 1972 1973 ser ii. 240z, 260z, 280z, 280zx, and more. I have various copies of diagrams but they . Brand new rb20det swap wiring harness for a datsun 260z. There are no stock replacement wiring harness solutions at this time for the 1970's datsun cars.

240z, 260z, 280z, 280zx, and more.

Does any one have an electronic copy or know where i can find a wiring diagram for a uk 240z? Gday guysin this episode i go over how to re wire the rear tail light section of your datsun using a ez wiring harness!hope you enjoy! Brand new rb20det swap wiring harness for a datsun 260z. I have various copies of diagrams but they . #header, #subheader, #leftpane, #rightpane, #showcase ul, #seo, ul.tablinks, . 240z, 260z, 280z, 280zx, and more. Buy full color laminated wiring diagram fits 1972 1973 datsun 240z color wiring diagram 18 x 24 poster size: There are no stock replacement wiring harness solutions at this time for the 1970's datsun cars. Datsun 240z 1970 1971 1972 1973 ser ii. Datsun 1600 (spl311) & 2000 (srl311) 1969 1970 spl311:

Brand new rb20det swap wiring harness for a datsun 260z. There are no stock replacement wiring harness solutions at this time for the 1970's datsun cars. I have various copies of diagrams but they . Datsun 240z 1970 1971 1972 1973 ser ii. Buy full color laminated wiring diagram fits 1972 1973 datsun 240z color wiring diagram 18 x 24 poster size:

#header, #subheader, #leftpane, #rightpane, #showcase ul, #seo, ul.tablinks, . Datsun F10 Wiring Diagrams Datsun Forums
Datsun F10 Wiring Diagrams Datsun Forums from www.nicoclub.com
Datsun 240z 1970 1971 1972 1973 ser ii. #header, #subheader, #leftpane, #rightpane, #showcase ul, #seo, ul.tablinks, . I have various copies of diagrams but they . Brand new rb20det swap wiring harness for a datsun 260z. 240z, 260z, 280z, 280zx, and more. Datsun 1600 (spl311) & 2000 (srl311) 1969 1970 spl311: Gday guysin this episode i go over how to re wire the rear tail light section of your datsun using a ez wiring harness!hope you enjoy! Does any one have an electronic copy or know where i can find a wiring diagram for a uk 240z?

Datsun 1600 (spl311) & 2000 (srl311) 1969 1970 spl311:

Datsun 1600 (spl311) & 2000 (srl311) 1969 1970 spl311: I have various copies of diagrams but they . Brand new rb20det swap wiring harness for a datsun 260z. 240z, 260z, 280z, 280zx, and more. #header, #subheader, #leftpane, #rightpane, #showcase ul, #seo, ul.tablinks, . There are no stock replacement wiring harness solutions at this time for the 1970's datsun cars. Does any one have an electronic copy or know where i can find a wiring diagram for a uk 240z? Datsun 240z 1970 1971 1972 1973 ser ii. Buy full color laminated wiring diagram fits 1972 1973 datsun 240z color wiring diagram 18 x 24 poster size: Gday guysin this episode i go over how to re wire the rear tail light section of your datsun using a ez wiring harness!hope you enjoy!

Datsun 280Z Wiring Diagram : A Long Winter 1977 280z Restoration /. Datsun 240z 1970 1971 1972 1973 ser ii. Datsun 1600 (spl311) & 2000 (srl311) 1969 1970 spl311: #header, #subheader, #leftpane, #rightpane, #showcase ul, #seo, ul.tablinks, . I have various copies of diagrams but they . Buy full color laminated wiring diagram fits 1972 1973 datsun 240z color wiring diagram 18 x 24 poster size:

Previous
« Prev Post

Tidak ada komentar:

Posting Komentar